專注磁粉離合器制動器生產廠家
收放卷張力糾偏控制系統整套提供商

齒輪減速機電磁離合剎車器電機組合電機與電磁離合剎車器與減速機是直連的,電機可以單獨與電磁離合剎車器鏈接,電機也可以單獨與減速機鏈接,電磁離合剎車器也可以單獨與減速機連接使用的。
參數規格:
1、TL-POH型雙法蘭電磁離合剎車組扭矩規格:6Nm、15Nm、25Nm、50Nm、100Nm、200Nm、400Nm等7個規格;
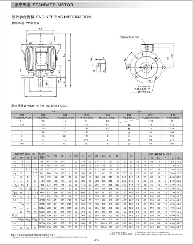
2、電動機(2極、4極、6極、8極)的功率:180W、400W、750W、1500W、2200W、3700W、5000W….等多個功率;
3、TL-CHM型臥式直結型齒輪減速機速比:1/4~1/200,馬力1/4HP~5HP;
齒輪減速機電磁離合剎車器電機組合廣泛適用冶金、起重、運輸、化工、輕紡、建筑、制餅機械.壓延機械,制袋機械.食品機械等等有大幅度降速要求的機械設備。公司采用計算機輔助設計和管理,運行先進的設備和檢測手段。公司的一精良的產品質量,暢銷全國各地,遠銷歐美等國家。東莞市臺靈機電有限公司集研發、生產、銷售、維修服務為一體的現代化高科技企業,十多年專注品質。產品咨詢熱線:1800-2922-997