專注磁粉離合器制動器生產廠家
收放卷張力糾偏控制系統整套提供商

微型失電電磁制動器具有結構簡單緊湊、失電制動、性能穩定制動可靠等優點,由銜鐵、磁輥、摩擦盤、彈簧、齒輪套、聯接板及防塵套等組成;它是主要用于各類工業機械設備上的,它具有低噪音、安全性高、低發熱、制動時...
查看更多
工業紙板生產線對邊機,它至少包括兩套安裝有分別檢測紙張物料水平位置及偏移量的檢測機構、可編程控制器、原紙架上的糾偏電機,檢測機構置于原紙架與成型機之間,檢測機構在可編程控制器的控制下,對紙張物料進行水...
查看更多
它的原理其實很簡單就是:依靠光源的反射及導光作用進行驗布的,正常的驗布速度可達到120米/分,靠終端控制系統工作,被驗出的疵點在熒屏上即能顯示報告,速度快捷簡便。
查看更多
很多時候我們卷材片材在生產線上最頭疼的問題,就是材料在漫長及快速的生產線上,很容易因為速度,拉力或者材料的厚薄不均勻及各類機械損害,造成材料在生產線上左右移動及單向偏離的現象,致使中段的加工動作不容易...
查看更多
那么張力控制器是它可以直接設定要求控制的張力值,然后直接輸入張力傳感器的信號作為張力反饋值,通過比較得出偏差后,輸入到PID等控制器進行處理,最好輸出給外圍執行機構去控制,最終達到偏差最小,系統響應最快...
查看更多
通俗點講就是要能控制電機輸出多大的力,即輸出多少牛頓。 反應到電機軸即能控制電機的輸出轉距。真正的張力控制不同于靠前后兩個動力點的速度差形成張力的系統,靠速度差來調節張力的實質是對張力的PID控制,要加張...
查看更多
我們在使用磁粉制動器的時候可能會碰到一種情況,就是會有聲音,一般是有兩種情況的:1、磁粉的摩擦力產生扭矩、因此會產生摩擦音,但是該摩擦音不會影響正常工作的,一般情況下經過試運行或者經過一段工作時間后,...
查看更多
一個好的磁粉制動器對生產設備能起到事半功倍的效果,如果我們的機械設備上的制動 器和離合器不停的出故障,會影響到幾十萬甚至上百萬機械的使用,這樣往往會得不償 失;所以我們在選用制動器的時候一定要認準6個...
查看更多
磁粉制動器上的齒輪要大還是要小呢,這是使用傳動設備的使用者都好奇的一個問題,其實呢嚴格來說齒輪的選用是要設計的,而不是選就可以的。類型與以軸的布置有關,平行軸的用圓柱齒輪,相交軸的用錐齒輪。直齒圓柱齒...
查看更多
那么出現磁粉制動器抱死一般是一下這幾種情況: 1.由于產品制造精度低,轉子的同心度不夠,造成輸出轉矩不均或卡住。 2.由于在運輸過程中或放置時間過長導致在兩組單元之間填有的磁粉散落一邊,且在開機前未做激磁造...
查看更多
很多人經常問我磁粉制動器溫度多高會壞?其實呢,這個不是說一定要到哪個溫度它才會壞,而它本身就有一個高溫承受溫度,一般都是使用溫度可高達80°,如果超過這個高溫承受度持續使用的話是會導致磁粉制動器壞掉的;
查看更多
很多朋友在使用磁粉制動器的時候都會有一個疑問,就是怎么利用磁粉制動器收卷,其實這是一個誤區來的,我先給大家講講收卷和放卷的區別:
查看更多
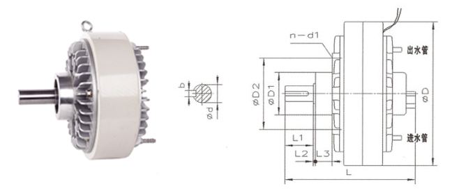
回轉式磁粉制動器工作原理!總得來說它是一種以高導磁性的磁粉為工作介質,以激磁電流為控制手段的性能良好的新型自動控制元件,其原理是接通直流電源后產生磁場,磁粉在磁力線作用下形成磁粉鏈,制動扭矩的目的,其...
查看更多
磁粉制動器的選購是需要以所需傳達最大轉矩為依據來選定,并同時注意保證實際滑差功率小于磁粉離合器、制動器的允許滑差功率。 計算公式如下:
查看更多
一個好的產品是否能使用出它的好質量,其實和我們前期的一個安裝也是有很大的關系的,如果安裝方式不對是會對我們的使用影響很大的;但其實說細致一點,不同型的磁粉制動器安裝方式是會有區別的,以下給大家講講一個...
查看更多
在快速發展的今天,我們在生產的時候都很注重高效率的生產,而我們很多機械設備廠家在配用傳動設備的同時特別注重一個速度和穩定性,很多朋友在選用傳動設備磁粉離合器的時候都有一個疑問,它的響應時間要多久?其實...
查看更多
我們很多人都會有一個疑問就是磁粉離合器能控制電機嗎?其實呢這是一個很簡單的問題,磁粉離合器控制電機,而是它們在搭配使用的同時,
查看更多
我們很多人在使用磁粉離合器的時候總是疑惑,我們到底怎么才能判斷磁粉離合器有沒有問題,其實很簡單我們就可以分析出來,可以從以下幾方面入手
查看更多
滑差是一種無極調速電機,由電機和滑差離合器組成,它有一個最大額定功率,就是電動機功率,實際輸出的功率是根據滑差調速器的調節而變化
查看更多
很多廠家在使用過程中都會碰到一個問題,就是磁粉離合器發熱,那其實很簡單的可以從三方面去檢查:
查看更多